康比电子roducts
国产晶振
台产晶振
进口晶振
- 日本大真空晶振
- 爱普生晶振
- 精工晶振
- 西铁城晶振
- 村田晶振
- 进口KSS晶振
- NDK晶振
- 大河石英晶振
- 美国CTS晶振
- 微晶晶振
- Abracon晶振
- ECS晶振
- Golledge晶振
- IDT晶振
- Jauch晶振
- Pletronics晶振
- 拉隆晶振
- SiTime晶振
- Statek晶振
- 格林雷晶振
- 康纳温菲尔德晶振
- 日蚀晶振
- 瑞康晶振
- 维管晶振
- AEK晶振
- AEL晶振
- Cardinal晶振
- Crystek晶振
- Euroquartz晶振
- FOX晶振
- Frequency晶振
- Geyer晶振
- KVG晶振
- ILSI晶振
- MERCURY晶振
- MMDCOMP晶振
- MtronPTI晶振
- QANTEK晶振
- QuartzCom晶振
- Quarztechnik晶振
- Suntsu晶振
- Transko晶振
- Wi2Wi晶振
- Fujicom晶振
- Interquip晶振
- ITTI晶振
- Lihom晶振
- MTI晶振
- NAKA晶振
- Oscilent晶振
- PDI晶振
- Rubyquartz晶振
- Shinsung晶振
- SMI晶振
- CTECH晶振
- IQD晶振
- Microchip晶振
- NJR晶振
- Silicon晶振
- Anderson晶振
- Fortiming晶振
- CORE晶振
- NIPPON晶振
- NICKC晶振
- QVS晶振
- Bomar晶振
- Bliley晶振
- GED晶振
- FILTRONETICS晶振
- STD晶振
- Q-Tech晶振
- Wenzel晶振
- NEL晶振
- EM晶振
- PETERMANN晶振
- FCD-Tech晶振
- HEC晶振
- FMI晶振
- Macrobizes晶振
- AXTAL晶振
- Sunny晶振
- 瑞萨Renesas晶振
- SKYWORKS晶振
- Dynamic迪拉尼晶振
车载电子
数码电子
智能家居
时计产品
无线网络
智能穿戴
医疗器械
无人机
0755-27876201
常见问题
更多>>.jpg)
.jpg)
Wi2wi低抖动晶振,PE7-T-65000X-M-C-E-2-R-X,石英晶体振荡器,美国进口晶振,Wi2wi威尔威晶振,型号:PE7系列晶振,编码为:PE7-T-65000X-M-C-E-2-R-X,频率为:65.000MHz,小体积晶振尺寸:7.0x5.0x1.8mm封装,LVPECL输出差分晶体振荡器,差分晶振,六脚贴片晶振,石英晶体振荡器,有源晶振,SMD晶振,石英晶振。PE7系列提供精确的定时在一个密封的包。这些高性能的时钟振荡器提供了非常低的集成相位抖动和优越的相位噪声。为您的原型输入需求、批量生产能力和有竞争力的价格提供快速周转抽样。石英贴片晶振,具有超小型,轻薄型,低抖动,低功耗,低相位噪声,低电源电压,低耗能,低损耗,低电平,高精度,高性能,高品质等特点。广泛应用于:通讯设备、无线网络,蓝牙模块,物联网,机顶盒、光端机、安防设备、路由器,交换机、仪器仪表、光纤通信,以太网等应用。
.jpg)
Wi2wi低抖动晶振,PE7-T-65000X-M-C-E-2-R-X,石英晶体振荡器,参数表
| Parameter | Supply Voltage *1 (±5%) | Units | ||
| 3.3 | 2.5 | V | ||
| Frequency Range *1 | 65.000 | MHz | ||
| Frequency Stability *1 | All Causes (Maximum ) *2 | Per Option | ppm | |
| Temperature Range*1 | Operating | Per Option | °C | |
| Storage | -55 to +125 | °C | ||
| Supply Current (Maximum) | 65 | mA | ||
| Output | Differential PECL Squarewave | |||
| Load (Typical) | Into Vcc-2V | 50 | Ω | |
| Duty Cycle (Maximum) | @ 50% Vcc | 45/55 | % | |
| Rise/Fall Times (Maximum) | Rise Time (20% to 80% Vcc) | 0.5 | nS | |
| Fall Time (80% to 20% Vcc) | 0.5 | |||
| Start up Time (Maximum) | 10 | mS | ||
| Output Voltage Levels | High Voh (50Ω to Vcc-2V) | Vcc- 1 .025 Min, Vcc-0 .95 Typ, Vcc-0 .88 Max | V | |
| Low Vol (50Ω to Vcc-2V) | Vcc- 1 .810 Min, Vcc- 1 .70 Typ, Vcc- 1 .62 Max | |||
| Differential Voltage | 595 Min , 750 Typ , 930 Max | mV | ||
| Pin 1 (Tri-State) (Option) | High (See below) or Open | Enable | ||
| Low (See below) *3 | Disable | |||
| High Value (Minimum) | 70 | % Vcc | ||
| Low Value (Maximum) *3 | 30 | % Vcc | ||
| Disable Current (Typical) *3 | 10 | uA | ||
| Enable Delay Time (Maximum) | 2 | mS | ||
| Disable Delay Time (Maximum) | 0.2 | uS | ||
| Integrated Phase Jitter (RMS) | 12KHz to 20MHz | 0.2 Typical , 1.0 Maximum | pS | |
| Phase Noise (Typical) | @ 10KHz Offset | -138 | dBc/Hz | |
| @ 100KHz Offset | -144 | |||
.jpg)
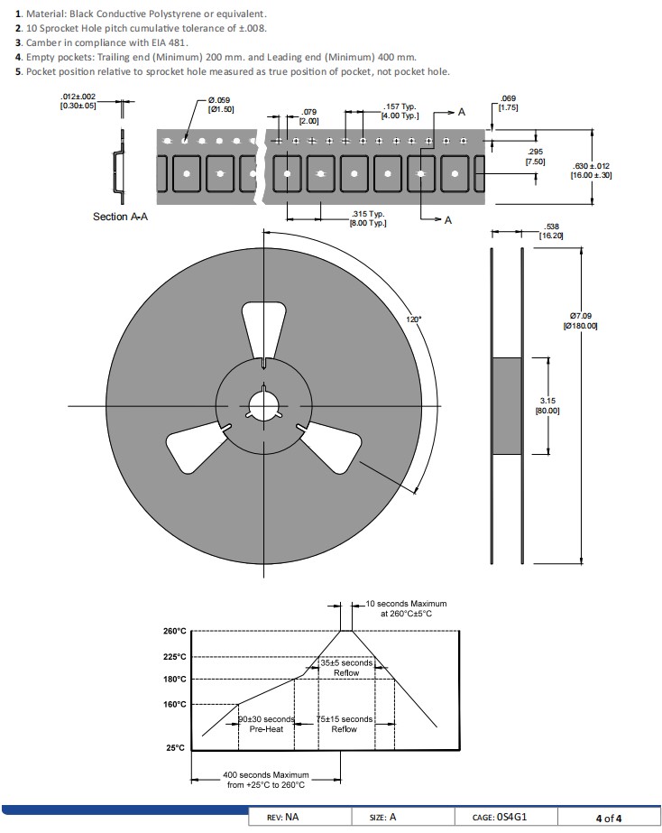
Wi2wi低抖动晶振,PE7-T-65000X-M-C-E-2-R-X,石英晶体振荡器,尺寸图

Wi2wi低抖动晶振,PE7-T-65000X-M-C-E-2-R-X,石英晶体振荡器
差分晶振是普通贴片晶振所不能够达到的,差分晶振具有低电平,低抖动,低功耗等特性.差分晶振作为目前行业中高要求,高技术石英晶体振荡器,具有相位低,损耗低的特点,差分晶振使用于产品中能够很容易地识别小信号,能够从容精确地处理双级信号,对外部电磁干扰(EMI)是高度免疫的,差分石英晶振满足市场需求,实现高频高精度等要求,更加保障了各种系统参考时钟的可靠性.



1、技术支持:全方位技术指导,专业的技术支持让您感受到前所未有的后顾无忧.
2、客服咨询:专业的销售团队,耐心为您解答任何疑问,让您的消费得到保障.
3、质量保证,诚信为本,上我司以“以科技为动力,以质量求生存,”为理念.
4、提升业绩,降低成本为您的产品量身订制,免费取样,为您做到低成本,高效率.
3、质量保证,诚信为本,上我司以“以科技为动力,以质量求生存,”为理念.
4、提升业绩,降低成本为您的产品量身订制,免费取样,为您做到低成本,高效率.

康比电子联系方式:
Q Q: 577541227
电 话:0755-27876201
手 机: 13728742863
Email: kangbidz@163.com
网 址: http://www.kangbidz.com/
地 址: 广东省深圳市宝安区41区33栋6层
Q Q: 577541227
电 话:0755-27876201
手 机: 13728742863
Email: kangbidz@163.com
网 址: http://www.kangbidz.com/
地 址: 广东省深圳市宝安区41区33栋6层










