企业博客
更多>>差分晶振HCSL驱动器输出结构
来源:http://www.kangbidz.com 作者:康比电子 2019年06月29
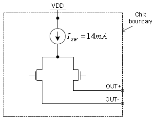
HCSL驱动器选项仅在某些SiTime差分晶振系列中可用.HCSL输出结构(见图1和图3)由14毫安开关电流源驱动,通常通过50Ω电阻接地.如图2所示,标称信号摆幅为700毫伏.输出端的开漏晶体管在几千欧姆范围内具有相当高的阻抗.从交流角度来看,输出晶体管阻抗与50Ω负载电阻并联,导致等效电阻非常接近50ω.由于该接口中使用的走线具有50Ω的特性阻抗,负载反射的任何信号都将在源端被吸收.通常,两个小电阻R1和R2(见图2)与高阻抗驱动器串联放置.它们通过减缓输出电流的快速上升起到过冲限制器的作用,对源阻抗匹配没有影响.SiTime推荐这些电阻使用33Ω电阻.
典型的HCSL接口使用电流模式驱动器,在源端使用50Ω至GND端接,在接收器端不使用端接.此外,对于HCSL输出驱动器,LVPECL差分晶振驱动器可用于驱动HCSL输入.图3显示了驱动带LVPECL输出的HCSL接收机的推荐端接原理图.为了满足HCSL接收机要求的750毫伏的VOH电平和0V的VOL电平,它采用交流耦合电容来分离源和负载偏置电压.
负载侧的戴维宁等效端接也在接收器输入端设置适当的共模电压.电阻BR为LVPECL驱动器提供适当的DC偏置.对于2.5V和3.3V工作电压,推荐的端接网络元件值如图3所示.
许多差分接收机具有片内DC偏置电路和/或终端网络.在这种情况下,振荡器输出应该交流耦合.如果需要外部偏置,应根据接收器器件的数据表进行设计.
LVDS或LVPECL振荡器可用于驱动自偏置差分输入.LVDS输出晶振需要更少的无源元件和更低的运行功率.如果700毫伏的LVDS摆幅对接收机来说足够了,最好使用LVDS振荡器.图5显示了LVDS振荡器与自偏置差分接收器的接口.

图1:HCSL驱动器输出结构
图2:HCSL接口终端
5.用LVPECL振荡器驱动HCSL接收机典型的HCSL接口使用电流模式驱动器,在源端使用50Ω至GND端接,在接收器端不使用端接.此外,对于HCSL输出驱动器,LVPECL差分晶振驱动器可用于驱动HCSL输入.图3显示了驱动带LVPECL输出的HCSL接收机的推荐端接原理图.为了满足HCSL接收机要求的750毫伏的VOH电平和0V的VOL电平,它采用交流耦合电容来分离源和负载偏置电压.
负载侧的戴维宁等效端接也在接收器输入端设置适当的共模电压.电阻BR为LVPECL驱动器提供适当的DC偏置.对于2.5V和3.3V工作电压,推荐的端接网络元件值如图3所示.

图3:LVPECL至HCSL接口6利用LVPECL振荡器驱动共模抑制接收机
大多数SiTime差分振荡器没有CML输出选项,但它们可以使用LVPECL驱动器驱动CML接收器.在这种情况下,端接原理图必须确保接收器输入端的单端电压摆幅为400毫伏,VDD共模电压为200毫伏[2】.图4显示了驱动带LVPECL输出的CML接收器的推荐端接原理图.由于LVPECL和CML共模电压之间的巨大差异,DC电流隔离需要耦合电容.电阻RB用于LVPECL差分晶体驱动器的适当偏置.接收器端的戴维宁等效端接设置适当的偏置电压,并与RB电阻一起确保适当的信号摆幅.
图4:LVPECL至CML接口
7个自偏置差分输入许多差分接收机具有片内DC偏置电路和/或终端网络.在这种情况下,振荡器输出应该交流耦合.如果需要外部偏置,应根据接收器器件的数据表进行设计.
LVDS或LVPECL振荡器可用于驱动自偏置差分输入.LVDS输出晶振需要更少的无源元件和更低的运行功率.如果700毫伏的LVDS摆幅对接收机来说足够了,最好使用LVDS振荡器.图5显示了LVDS振荡器与自偏置差分接收器的接口.

图5:带有内部端接和偏置的LVDS驱动器与自偏置差分接收器的连接
LVPECL输出可以在接收器上产生高达1.6V的差分晶振摆幅.图6显示了LVPECL振荡器与自偏置差分接收器的连接示意图.电阻RS在负载端产生一个分压器.接收器输入端的电压摆幅可以通过选择RS值来设置.RB为LVPECL驱动器提供DC偏置电流,其值可以从等式1计算.请注意,接收器将看到有效端接电阻值为RS+50Ω.
图6:LVPECL驱动器与带内部端接和偏置的自偏置差分接收器的连接.
为了保持信号的完整性,遥感器和铷应放置在传输线之前,尽可能靠近石英晶体振荡器.负载端终端网络应尽可能靠近接收器输入端.
正在载入评论数据...
此文关键字: LVDS振荡器SiTime差分振荡器
相关资讯
- [2023-09-05]家用电器依赖Jauch晶振
- [2023-09-01]IQD常见问题
- [2023-06-29]6G小体积Q26.0-JXS21-12-10/20-...
- [2023-06-28]6G晶振X1G0036910116晶体振荡器...
- [2020-07-07]TXC晶振强大之处原来可以从这点...
- [2019-08-26]电子书籍市场的晶振器件需具备小...
- [2019-08-22]低ESR50兆赫晶振优化性能
- [2019-08-13]为了您的应用选择合适的晶振请仔...







