企业博客
更多>>EPSON晶振的柱面式及SMD规格
来源:http://www.kangbidz.com 作者:康比电子市场部 2016年05月31
晶振是智能产品中必不可少的频率元器件,适用范围非常广泛,通常 用于:通讯产品、蓝牙设备、安防产品、数码科技、汽车电子、智能手表及其穿戴设备、智能机器人、无人机及其他高端智能产品领域.在产品中也起着至关重要的作用,随着科技的发展日新月异,各种高端智能产品对晶体的要求越来越高.由于国内厂家技术受限,EPSON品牌成为了我国众多企业的依赖.
爱普生晶振的常用料号,32.768KHZ系列:FC-12D、FC-12M、FC-13A、FC-135、MC-146、MC-156、MC-306、C-002RX、C-004R、C-005R、MC-30A;MHZ系列:FA2016AN、FA-128、FA-20H、FA-238、FA-238V、FA-20H、MA-306、MA-406、MA-505、MA-506、FA-128S.
EPSON晶振柱面式包装规格:.
1、柱面式:
柱面式产品用乙烯袋包装,每批包含250到1000件
然后,将1到20袋装入内盒以组成一批.
最后,将内盒放入纸箱以便装运.(质量随型号的变化而变化).jpg)
2、耐焊接:热将DIP产品放置抗静电集成电路管内并装到盒子里以便进行运送..jpg)
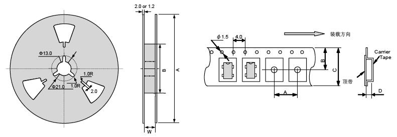
3、SMD式:将SMD 产品包装在纸箱里以便装运,如下表所述;符合磁带标准EIA-481 和 IEC-60286..jpg)
爱普生科技根据市场需求研发了2012、2016系列超小超薄型晶体.得到了市场的青睐.康比电子是爱普生科技官方亲自授权代理商,主要负责大陆市场的开拓更好的服务于国内企业,促进我国科技的发展.
爱普生晶振的常用料号,32.768KHZ系列:FC-12D、FC-12M、FC-13A、FC-135、MC-146、MC-156、MC-306、C-002RX、C-004R、C-005R、MC-30A;MHZ系列:FA2016AN、FA-128、FA-20H、FA-238、FA-238V、FA-20H、MA-306、MA-406、MA-505、MA-506、FA-128S.
EPSON晶振柱面式包装规格:.
1、柱面式:
柱面式产品用乙烯袋包装,每批包含250到1000件
然后,将1到20袋装入内盒以组成一批.
最后,将内盒放入纸箱以便装运.(质量随型号的变化而变化)
.jpg)
2、耐焊接:热将DIP产品放置抗静电集成电路管内并装到盒子里以便进行运送.
.jpg)
3、SMD式:将SMD 产品包装在纸箱里以便装运,如下表所述;符合磁带标准EIA-481 和 IEC-60286.
.jpg)
爱普生科技根据市场需求研发了2012、2016系列超小超薄型晶体.得到了市场的青睐.康比电子是爱普生科技官方亲自授权代理商,主要负责大陆市场的开拓更好的服务于国内企业,促进我国科技的发展.
正在载入评论数据...
相关资讯
- [2024-02-18]Greenray晶体振荡器专为国防和航...
- [2024-01-20]HELE加高产品和技术及热门应用
- [2024-01-20]HELE加高一个至关重要的组件晶体...
- [2023-12-28]Suntsu晶振最新的射频滤波器突破...
- [2023-12-28]Qantek提供各种高可靠性微处理器...
- [2023-10-11]日本纳卡石英晶体的低老化领先同...
- [2023-09-25]遥遥领先H.ELE开启汽车创新
- [2023-09-23]瑞萨电子MCU和MPU产品领先同行




